





1、應用范圍
DXH06-FBZS/3AC690B80電涌保護器,適用于400/690Va.c.電壓系統,配電系統以及終端設備的電涌保護,應安裝在防雷區(qū)0(LPZ0)和防雷區(qū)1(LPZ1)或防雷區(qū)1(LPZ1)和防雷區(qū)2(LPZ2)的界面處。
2、外形結構圖(此圖只作示意,以提供安裝尺寸為主)
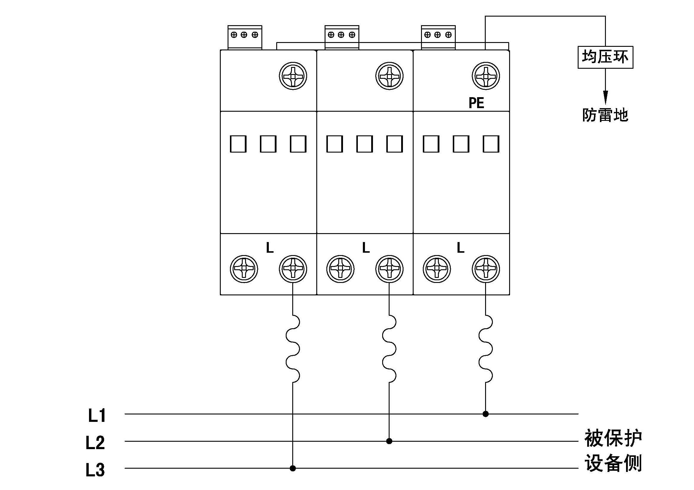
3、接線方式
4、技術參數
| 技術指標 | 設備型號 | |
| DXH06-FBZS/3AC690B80 | ||
| 試驗類別 | T2 | |
| 工作系統電壓Un | 400/ 690V, 50Hz/ 60Hz | |
| 最大持續(xù)運行電壓Uc | 1000Va.c. | |
| 標稱放電電流In | 40kA(8/20μs) | |
| 最大放電電流Imax | 80kA(8/20μs) | |
| 對地漏電流Ic | <5mA | |
| 限制電壓Up@20kA | ≤4.0kV | |
| 響應時間 | ≤25ns | |
| 端口數量 | 1端口 | |
| 串接熔絲 | 160A gL/ gG (input current>160A) | |
| 過載故障 | 1200V/5s | |
| 短路電流 | 50kA | |
| 保擴模式 | L——PE | |
| 內部保護裝置 | 防雷單元內置熱脫扣裝置 | |
| 接入導線截面 | 6~35mm2 | |
| 裸線壓接長度 | 12.5mm | |
| 安裝接線力矩 | 2Nm | |
| 劣化失效指示 | 防雷模塊具有指示窗口,故障狀態(tài)下指示窗口變紅色 | |
| 遙信方式 | 告警干接點,NC-C-NO接點 | |
| 遙信端子性能 | AC:250V/0.5A;DC:250V/0.1A,125V/0.2A,75V/0.5A | |
| 遙信導線截面 | 最大1.5mm2 | |
| 安裝方式 | 標準導軌安裝DIN rail 35mm | |
| 外殼材料防火等級 | UL94-V0 | |
| 外殼防護等級 | IP20 | |
| 工作溫度 | -40℃~+80℃ | |
| 相對濕度 | ≤95%(25℃) | |
| 海拔高度 | ≤3000m | |
| 外形尺寸(不含接線端子) |
90mm×108mm×67mm |
|